硬碟平頭螺絲的名稱及購買建議如下:
硬碟平頭螺絲名稱
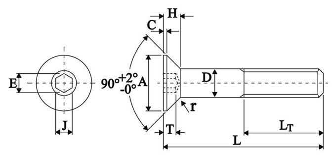
硬碟常用的平頭螺絲多為「平頭內六角螺絲」(Flat Head Hex Socket Screw),符合ISO 10642標準,具有平滑的沉頭設計,能夠與硬碟或機殼表面齊平,避免干涉其他零件。
常見規格多為公制螺絲,如M3、M5、M6等,材質通常有合金鋼(SCM435)或不銹鋼(SUS304),表面可能有鎳鍍層或黑氧化處理,以提升耐用性與抗腐蝕性。
例如:
- M3 x 5mm 平頭內六角螺絲(常用於2.5吋硬碟)
- M5 或 M6 平頭螺絲(較大尺寸硬碟或機殼固定用)
購買地點建議
- 專業螺絲供應商:如明瑞螺絲提供多種平頭內六角螺絲,規格齊全,適合工業及精密應用。
- 電腦配件商城:QNAP官方商城有專門的硬碟螺絲包出售,包含2.5吋及3.5吋硬碟用螺絲,方便直接購買適合硬碟的螺絲組合。
- 網路購物平台:蝦皮等平台有賣3.5吋硬碟專用的美制螺絲(如6#-32牙規),價格便宜且購買方便,適合一般DIY使用。
- 電子零件店或五金行:可詢問是否有公制平頭內六角螺絲,尤其是M2、M3等小尺寸螺絲,適合固態硬碟(如M.2)或小型硬碟固定。
小結
| 螺絲名稱 | 規格範例 | 材質與表面處理 | 購買建議地點 |
|---|---|---|---|
| 平頭內六角螺絲 | M3 x 5mm, M5, M6 | 合金鋼(SCM435)、不銹鋼(SUS304),鎳鍍、黑氧化等 | 明瑞螺絲、QNAP商城、蝦皮、電子零件店 |
建議依硬碟尺寸及螺絲孔規格選擇合適尺寸的平頭內六角螺絲,並可從上述通路購買,確保螺絲與硬碟及機殼相容且固定穩固。
